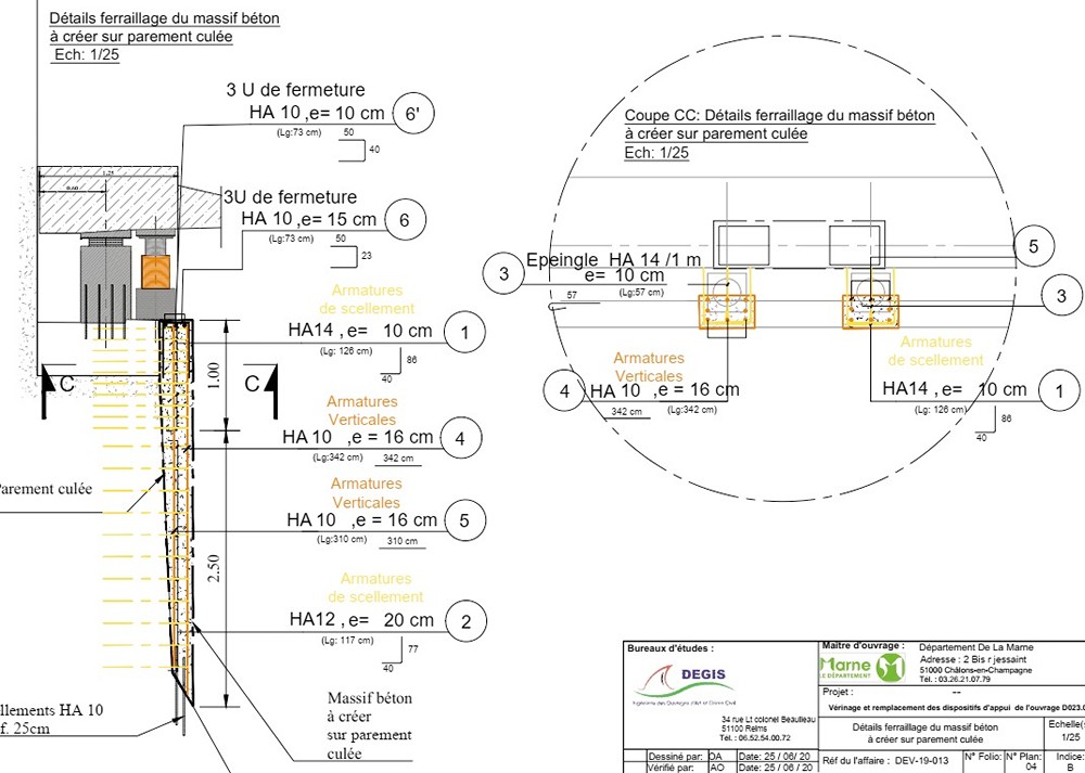
Vérinage et réfection du pont-caisson à Mareuil-le-Port
Description des missions réalisées :
Mission AMO Etude de Verinage, PRO/DCE, VISA, Assistance DET
Description des travaux :
- Verinage et remplacement des appareils d’appui,
- Purge et ragréage en intrados et caisson,
- Réfection étanchéité, chaussée, trottoirs,